Beschreibung
SLIX?
SLIX bedeutet Slide and Fix. Treffender ist es wohl mit dem Wort Spannungsausgleichsschraube beschrieben. Aber SLIX ist sicher eingängiger, daher bleiben wir im Weiteren bei diesem Begriff.
Was sind SLIX?
SLIX sind Schrauben die zwei Bauteile zusammendrücken, aber eine gewünschte Bewegung der Bauteile zueinander zulassen.
Warum werden SLIX benötigt?
In den meisten Anwendungen werden zwei oder mehr Linearführungen parallel eingesetzt.
PGM Motion und seine Mitarbeiter haben in Jahrzenten immer wieder ähnliche Störungen in diesen Anwendungen beobachtet. Ausfälle können überwiegend auf die statische Überbestimmung der Führungen zurückgeführt werden. Auf Grund dieser Beobachtungen wurde hierfür eine Lösung gesucht und SLIX entwickelt.
SLIX sind insbesondere notwendig, wenn:
- Eine Temperaturänderung die Abmessungen eines Bauteils verändert.
- Montageungenauigkeiten auftreten.
- Fertigungstoleranzen ausgeglichen werden müssen.
- Die Position der Bauteile durch dynamische Belastungen variiert.
Dies muss ausgeglichen werden, mit SLIX bleiben Maschinen entspannt.
Wie funktioniert das?
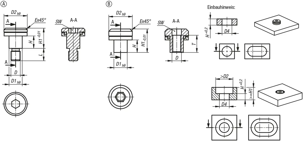
Ein SLIX besteht aus 3 Bauteilen: Bolzen, Gleitlager und O-Ring.
Beim Einschrauben des Bolzens in die Bohrung drückt das Gleitlager den O-Ring zusammen. Dies geschieht maximal, um das Maß X. Danach sitzt das Gleitlager auf dem Bolzen auf.

Anzugsmomente der SLIX-Schrauben
| Baugröße | Drehmoment in Nm |
| M4 | 2 Nm |
| M5 | 4,5 Nm |
| M6 | 7,5 Nm |
| M8 | 18,5 Nm |
Die Momente beziehen sich auf das Einschrauben in Stahlbauteile. Bei der Montage in weicheren Werkstoffen ist das Eindrücken (setzen) des Schaftdurchmessers D2 zu berücksichtigen. Hier ist ein geringeres Moment zu verwenden. Um das Lösen der Schrauben bei geringeren Momenten zu verhindern, sollten die Schrauben eingeklebt werden.
Maximale statische Belastbarkeit in Achsrichtung
| SLIX-Formen A + B | Kraft in N |
| M4 | 1500 |
| M5 | 3000 |
| M6 | 4900 |
| M8 | 6300 |
Werte der Hochtemperaturausführung sind abhängig von der Einsatztemperatur, Daten auf Anfrage.
Temperaturbereich
-20°C … +80° C Dauereinsatztemperatur
-40°C … + 200° C Dauereinsatztemperatur der Hochtemperaturausführung
Werkstoffe
Stahl galvanisch verzinkt
NBR (Hochtemperaturausführung Viton)
Hochleistungs Gleitlagerpolymer
Weitere Abmessungen und Werkstoffe auf Anfrage.
Änderungen vorbehalten



